Solution

解决方案

工业制造

您当前位置:首页 > 解决方案 > 工业制造

电力建设 市政建设 医疗卫生 交通运输 石油化工 钢铁矿山 工业制造 数据通信

 

中大型工厂的供电电压一般采用10kV,有时也可采用35kV。为了保证供电可靠性,应至少有两个独立电源,具体数量应视负荷大小及当地电网条件而定。两路独立电源运行方式,原则上是两路同时供电,互为备用。此外,必要时还需装设应急备用发电机组。
低压配电方式是指低压干线的配线方式。低压配出干线一般是指从变电所低压配电屏分路开关至各大型用电设备或生产厂房配电盘的线路。用电负荷分组配电系统是指负荷的分组组合系统。智能化厂房由于负荷的种类较多,低压配电系统的组织是否得当,将直接影响用电的安全运行和经济管理。
低压配电系统宜采用三级配电方式,即总配电(配变电室)、区域配电(配电间)和终端配电。三级配电系统之间要求保护开关动作具有选择性。
客户的需求
安全:杜绝或避免人身的死亡或伤害事故的发生。
高效:确保设备在规定年限内正常、高效、有序运行。
环保:确保对沿线环境不产生不良影响,如噪音,有害气体、谐波、电磁干扰等。
降低成本:减少建设成本及运营成本。
可持续发展:延长系统整体使用年限,减少系统整体的维护资金。
电能质量:无功功率补偿,动态补偿谐波。
解决方案

1、中压供电系统

工厂的办公楼的应急照明,计算机房、厂房生产设备电源、消防用电设备电源等属特别重要负荷.为一级负荷。

中大型工厂常规设置1座10 kV配电所,配电所由两路10 kV电源供电,该两路10kV电源分属于两个不同500 kV分区电网的变电站,1座10 kV配电所共2回路电源。两路电源同时工作,互为备用;每路均能承担本工厂全部一、二级负荷。要求当一路电源发生故障时.另一路电源不应同时受到损害。10kV配电系统传统方案采用单母线分段运行,设母联开关,主进开关与联络开关设电气联锁,任何情况下只能合其中的2个开关,具体原理见图1。但这种方案存在无机械互锁、转换时间长约20分钟、多元器件集成导致故障源多等缺点,所以这里推荐中压双电源转换开关方案、中压转换开关方案,具体系统原理见图2

图1 工厂中压配电系统解决方案


图2 工厂中压配电系统解决方案

2.电力安全保障系统

(1)真空断路器真空度在线监测:真空断路器在运行过程中真空度会逐步下降,真空泄漏到一定程度,分合闸时开关柜会发生爆炸,严重者波及整个高压柜室连环烧毁。尽管国家执行了定期检修制度,但因现场对真空度无法检测,只能通过破坏性高压试验验证,由于国内真空泡技术水平的限制,两次检修期间发生真空泄露导致开关爆炸时有发生,给用户造成了惨重的损失。事实上,真空断路器复杂的密封结构也不允许用户进行常规手段进行检修。

真空度在线监测已经成为一次设备运行、检修的重要组成部分。

(2)局部放电在线监测:电力设备绝缘体的绝缘强度和击穿场强都很高,当局部放电在很小的范围内发生时,该击穿过程会很快。

局部放电装置可以运用超高频传感器监测电气设备内部局放电流激发的电磁波信号对开关柜的局部放电情况进行评估。

超高频局放在线监测装置(IED)通过同轴电缆接收小于等于8路的超高频传感器 所采集的局部放电信号。并对该信号进行滤波、检波、脉冲提取、数字滤波、局放特征量计算等数字化处理,并完成局放可视化操作、局放判断、数据存储、数据上送等功能。

(3)温度在线监测系统:运行中的电气设备通常工作在高电压和大电流状态,设备中存在的某些缺陷会导致设备部件的异常温度升高。温度过高可能会引起燃烧、爆炸甚至设备损坏或质量事故。无线测温可以实时监测开关柜等电气设备的故障多发点,可以及时有效的控制电气事故的发生。

高压开关、母线接头、户外刀闸或变压器上。系统配备标准通讯接口,可联网运行。通过上位机软件,可记录高压设备实时运行温度的数据。为高压设备的维修提供累积数据,实现了高压设备热故障预知维修

3、低压柜配电系统

图3为工厂中最为常用的低压配电系统,系统市电采用两进线一母联(单母线分断),互为备用。此配电系统结构简单,用电可靠性高。该系统框架断路器及塑壳断路器推荐使用开关高品质产品MCCB塑壳断路器或MCCB电子式塑壳断路器,保证主电源端的供电可靠性。

 

图3 低压配电系统

4、SVG补偿系统

主要负荷为风机、变频类负载。设备工作时消耗大量无功电流,无功电流在变压器的高压侧和低压侧导致明显的电压降落,系统功率因数很低,变压器容量不足。
治理措施为SVG安装在变压器后端,配置2台静止无功发生器。
SVG静止无功发生器投入后,能适时跟踪配电系统中的无功需求量并及时补偿,不出现过补及欠补现象,并保证功平均功率因数在0.99左右,视在电流大大下降,减少了无功电流对配电系统的冲击,减小电压波动,谐波电压畸变率由5.6%下降到1.2%,消除了力率电费罚款,为配电系统的安全、稳定运行提供了保障。

图4 SVG补偿系统简图

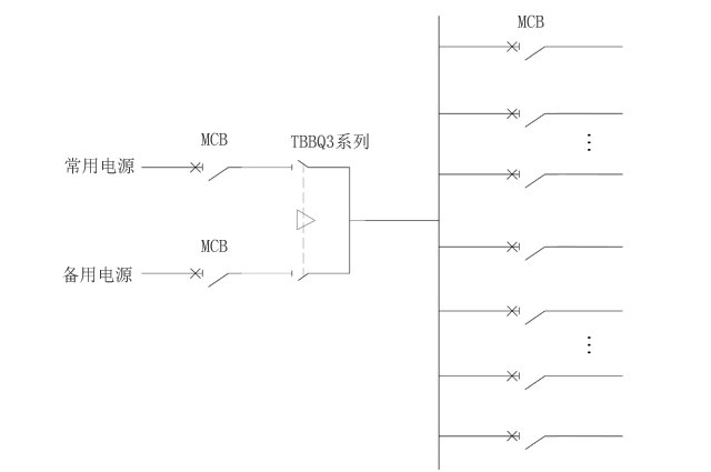
5、应急供电系统

对于工厂中的一级、二级负荷需提供两路电源供电,特别是消防负载,还应该采用末端切换。因此,为了保证整个应急电源系统的可靠,宜设置主电源转换及部分负载末端切换。主电源切换的一级ATSE一旦坏掉会影响大面积的停电,所以推荐使用TBBQ3-W(抽出带旁路ATSE),能够实现不断电的检修及维护。末端切换的二级ATSE推荐使用TBBQ3专用一体化ATSE,该产品采用励磁驱动,转换时间快,满足应急电源断电限制的需求。末端负载线路长,故障点多,末端切换的ATSE转换的频率高,所以推荐采用使用类别AC-33iA的TBBQ3产品。

 

图5  应急供电系统图

用于市电与发电机的应急电源转换的ATSE需选用“抽出带旁路型的三工位专业一体化PC级”,使用类别为AC-33iA。ATSE额定电流宜按照发电机额定电流的1.25倍选择,表2是TBBQ3-W抽出带旁路型ATSE选型表。

额定电流

100~400

630~1600

2000~3200

4000

电寿命/

6000

6000

6000

6000

机械寿命/

10000

30000

30000

30000

使用类别

AC-33iA

AC-33iA

AC-33iA

AC-33iA

本体转换时间/ms

80

140

200

50

额定短时耐受电流Icw/kA

12.5

32

50

50

表2 TBBQ3-W抽出带旁路型选型表

6、动力三箱系统

工厂箱动力设备保护塑壳断路器推荐选用MCCB热磁脱扣断路器,产品性价比高。三箱内低功率负载保护断路器推荐采用分断能力10KA的MCB微型断路器。


图6 动力箱系统图

7、电动机保护系统

在工厂的动力设备中有大型的中央空调控制MCC中心,也有潜污泵,消防泵等。针对与大型电动机的保护器推荐采用分体元件保护方式,断路器推荐采用MCCB热磁脱扣塑壳断路器,接触器采用MS。针对于功率小,电流低于100A的电动机负载推荐使用MK马达控制与保护开关电器,他集成了断路器、接触器、热继电器、隔离开关等的功能,安装简单,性价比高

 

图7  电动机保护系统简图

8、消防负载配电系统

工厂中的消防设备,如消防泵、喷淋泵、防排烟风机等设备长期不用,一旦要使用的时候必定是消防应急,必须可靠供电,但是因为长期不用,消防设备经常会因为结垢或者锈蚀而导致线路电流过载。故障因此就产生了,但是线路的保护断路器还不允许跳闸。所以,针对于消防负载的保护断路器推荐使用MCCB(过载报警不跳闸)塑壳断路器。该款断路器可直接从断路器上输出过载报警的无源干接点给到用户实现远方或者就地的声光报警。

过载报警不跳闸功能断路器应用的相关规范要求:

 

图8  消防配电系统图


 《民用建筑电气设计规范》(JGJ16-2008)第7.6.4规定:“......对于突然断电比过负荷造成的损失更大的线路,该线路的过负荷保护应作用于信号而不应切断电路。”
《低压配电设计规范》(GB50054-2011)第 6.3.6规定:“ 过负荷断电将引起严重后果的线路,其过负荷保护不应切断线路,可作用于信号。”

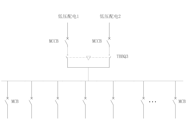
9、站用交直流系统

变电站交直流系统又称站用电系统,是保证变电站安全可靠地输送电能的一个必不可少的环节。站用电主要为了变电站内的一、二次设备提供电源。钢铁行业站用交直流系统在变电站所失电的情况下,仍能保证控制信号、保护、自动装置等电源及事故处理工作。地铁变电站站用交直流设备主要有交流屏、充电屏、馈线屏、电池屏4部分组成。系统主要有交流和直流系统两部分,对应方案见下图。


图9 站用交流系统简图


图10 站用直流系统简图

为保证变电站所在失电情况下,变电站仍能进正常操作及检修运行。交流和直流电电源屏的电通常来自两段低压母线,通过双电源切换装置给系统供电。系统双电源切换装置推荐使用TBBQ3系列专用PC级产品。TBBQ3系列选型见表6。






Copyright © 2019 辽宁博沣沅电气有限公司        网站建设:网势科技
网站首页 一键电话