Solution

解决方案

市政建设

您当前位置:首页 > 解决方案 > 市政建设

电力建设 市政建设 医疗卫生 交通运输 石油化工 钢铁矿山 工业制造 数据通信

中大型楼宇的供电电压一般采用10kV,有时也可采用35kV。为了保证供电可靠性,应至少有两个独立电源,具体数量应视负荷大小及当地电网条件而定。两路独立电源运行方式,原则上是两路同时供电,互为备用。此外,必要时还需装设应急备用发电机组。
低压配电方式是指低压干线的配线方式。低压配出干线一般是指从变电所低压配电屏分路开关至各大型用电设备或楼层配电盘的线路。用电负荷分组配电系统是指负荷的分组组合系统。智能化建筑由于负荷的种类较多,低压配电系统的组织是否得当,将直接影响大楼用电的安全运行和经济管理。
低压配电系统宜采用三级配电方式,即总配电(配变电室)、区域配电(配电间)和终端配电。三级配电系统之间要求保护开关动作具有选择性。
客户的需求
安全:杜绝或避免人身的死亡或伤害事故的发生。
高效:确保设备在规定年限内正常、高效、有序运行。
环保:确保对沿线环境不产生不良影响,如噪音,有害气体、谐波、电磁干扰等。
降低成本:减少建设成本及运营成本。
可持续发展:延长系统整体使用年限,减少系统整体的维护资金。
解决方案
 1、中压供电系统 
根据我国《供配电系统设计规范》GB 50052-2008,民用建筑电气设计规范》JGJ16-2008等相关现行规范标准,体育场馆的计时计分装置、接待室、主席台、贵宾台、一部分比赛场地照明、计算机房、广播机房、电台和电视转播电源、应急照明、消防用电设备电源等属特别重要负荷.体育场馆泛光照明、景观照明为三级负荷:其余为一级负荷。
现代体育场馆中的系统和设施,用电负荷的种类也越来越多,对供配电系统可靠性要求越来越高。现代体育场馆场所属于人流密集性场所,供配电系统必须满足安全、可靠、连续的原则。否则一旦出现断电,将会导致人群的恐慌和不安,极易引发群体性安全事故,因此供电的可靠性和连续性必须放在首位考虑。综上,因为体育场馆供电高要求,且一级负荷占比较大,所以体育场馆一般是按一级负荷设计。

中大型体育场馆常规设置2座10 kV配电所,每座10kV配电所由两路10 kV电源供电,该两路10kV电源分属于两个不同500 kV分区电网的变电站,2座10 kV配电所共4回路电源。10 kV配电所的10kV进线采用电缆埋地方式引入。两路电源同时工作,互为备用;每路均能承担本工程全部一、二级负荷。要求当一路电源发生故障时.另一路电源不应同时受到损害。10kV配电系统传统方案采用单母线分段运行,设母联开关,主进开关与联络开关设电气联锁,任何情况下只能合其中的2个开关。具体原理见图1。但这种方案存在无机械互锁、转换时间长约20分钟、多元器件集成导致故障源多等缺点,所以这里推荐中压双电源转换开关方案、中压转换开关方案,具体系统原理见图2。

过电压防护系统

图中过电压保护推荐使用BF-TBP,不但可以限制大气过电压,也可以有效限制操作过电压,相间和相对地的过电压;由于通流容量大,更适用于对过电压限制要求更高的场合,也从而避免由于过电压能量超过保护器容量而引起的热崩溃事故。


 


图1 体育场馆中压配电系统解决方案

 


图2 体育场馆中压配电系统解决方案

中压双电源切换电器推荐使用TBBQ12中压转换开关。
TBBQ12中压转换开关具有机械/电气双重互锁,防止因误操作造成常用、备用电源同时合闸;永磁机构驱动,转换时间200ms以内,供电连续性高; 专用控制器可使ATSE在系统中的切换,防止二次短路事故发生。TBBQ12中压转换开关开断电流为20kA。表1为TBBQ12中压转换开关选型表。

本体型号

额定电流

额定电压

TBBQ12

630A

12kV

TBBQ12

100A

12kV

TBBQ12

1250A

12kV

控制器型号

供电电压范围

C800V

AC110~220V

C800V

DC220V

表1TBBQ12中压转换开关选型表。

10 kV保护断路器推荐使用VCB户内高压真空断路器。
VCB户内高压真空断路器,该产品主要用于发电厂、交流配电系统和变电站内的保护和控制,也可以作为电网设备、工矿企业动力设备的保护和控制单元。由于真空断路器的优越灭弧特性,使得该产品特别适合用在额定工作电流下的频繁操作或多次开断短路电流的场所。该产品的操动机构与断路器本体一体化设计,既可以作为固定安装单元,也可以配合专用的推进机构,组成手车单元使用。

2、电力安全保障系统

(1)真空断路器真空度在线监测:真空断路器在运行过程中真空度会逐步下降,真空泄漏到一定程度,分合闸时开关柜会发生爆炸,严重者波及整个高压柜室连环烧毁。尽管国家执行了定期检修制度,但因现场对真空度无法检测,只能通过破坏性高压试验验证,由于国内真空泡技术水平的限制,两次检修期间发生真空泄露导致开关爆炸时有发生,给用户造成了惨重的损失。事实上,真空断路器复杂的密封结构也不允许用户进行常规手段进行检修。
真空度在线监测已经成为一次设备运行、检修的重要组成部分。

 

(2)局部放电在线监测:电力设备绝缘体的绝缘强度和击穿场强都很高,当局部放电在很小的范围内发生时,该击穿过程会很快。
局部放电装置可以运用超高频传感器监测电气设备内部局放电流激发的电磁波信号对开关柜的局部放电情况进行评估。

 

超高频局放在线监测装置(IED)通过同轴电缆接收小于等于8路的超高频传感器 所采集的局部放电信号。并对该信号进行滤波、检波、脉冲提取、数字滤波、局放特征量计算等数字化处理,并完成局放可视化操作、局放判断、数据存储、数据上送等功能。
(3)温度在线监测系统:运行中的电气设备通常工作在高电压和大电流状态,设备中存在的某些缺陷会导致设备部件的异常温度升高。温度过高可能会引起燃烧、爆炸甚至设备损坏或质量事故。无线测温可以实时监测开关柜等电气设备的故障多发点,可以及时有效的控制电气事故的发生。
高压开关、母线接头、户外刀闸或变压器上。系统配备标准通讯接口,可联网运行。通过上位机软件,可记录高压设备实时运行温度的数据。为高压设备的维修提供累积数据,实现了高压设备热故障预知维修。

 

3、低压配电系统

体育场馆除两路市电外,还需设置固定式柴油发电机组及临时柴油发电机组,作为特别重要负荷的第三电源。在体育场附近处,设一个柴油发电机房,机房内设置一组大容量柴油发电机组。在各变电所内设置柴油发电机电源,与市电电源之间设有备用电源自动投切装置。互投装置后设有应急母线段,消防设备用电卣应急母线段供电,应急母线段平时由市电供电,当市电故障或停电时,柴油发电机在15s内自启动发电,保证体育场消防设备自荷的用电。

体育场馆用电负载如照明、UPS、空调、电梯等可采用BF-APF/SVG补偿装置,进行谐波治理,补偿解决三相不平衡问题;

使系统谐波均得到有效制止,降低线路损耗,配电系统安全、高效运行。 
 体育场馆低压系统的各类负荷供电措施:
a 比赛相关的特别重要负荷,由市电作为第一电源及第二电源,采用临时柴油发电机级作为部分特别重要负荷的第三电源,采用临时柴油发电机组和UPS作为计时计分用计算机系统、电视转播系统、通讯机房等负荷的第三电源;一级、三级负荷均由市电供电。
b 比赛时,临时柴油发电机组作为工作电源与市电各负责比赛场地一半的场地照明灯具供电,其中一路电源断电的时候,尚能保证场地一半的照度,满足继续比赛的应急照度要求,同时也满足应急转播要求。临时柴油发电机姐同时作为计时计分用计算机系统、电视转播系统等与比赛相关的特别重要负荷的第三电源。
C 平时特别重要负荷,主要是消防用电设备电源应急照明安防系统电源,此类负荷第一电源及第二电源均由市电供电,设固定式柴油发电机组及EPS、UPS作为消防、应急照明安防等系统的第三电源。
具体典型接线见图3


 


图3 体育场馆低压配电系统图

系统进线保护断路器及母联保护断路器配置,推荐使用ACB框架断路器。ACB框架断路器,为高可靠性负载量身定制的高品质产品,其电子脱扣器的技术先进性,能够最大程度保证主电源端的供电可靠性,该产品具有区域联锁功,能够确保完全选择性保护。根据变压器容量大小不同选择相应的进线保护断路器。ACB框架断路器与变压器选型配合见表2。

变压器容量/KVA

额定电流/A

阻抗电压/U%

短路电流/KA

断路器

315

455

4

11.4

1600/630

400

577

4

14.4

1600/630

500

722

4

18.1

1600/800

630

909

4

22.7

1600/1000

800

1155

6

19.3

1600/1250

1000

1443

6

24.1

1600/1600

1250

1804

6

30.1

2500/2000

1600

2309

6

38.5

2500/2500

2000

2887

6

48.1

4000/2900

2500

3608

6

60.1

4000/4000

3150

4547

6

75.8

6300/5000


表2 架断路器与变压器选型配合表

上表计算依据:上级电网的短路功率设定为 500 MVA ;变压器为10 KV / 0.4 KV 。当短路电流的计算结果发生改变时,MCCB塑壳断路器要从65KA、85KA、100KA、120KA中选取适合的分断能力指标。
系统应急电源进线保护断路器,推荐使用ACB框架断路器。系统馈线保护断路器,推荐使用MCCB塑壳断路器。
系统双电源切换装置推荐使用TBBQ3-W/2W系列专用PC级产品。该产品专业PC级一体化设计;额定电流16A~4000A,国内范围最大;高标准分断能力,使用类别AC-33iA;励磁驱动,转换时间小;专用银合金触头,耐弧抗氧化;特设独立灭弧系统,灭弧迅速.其带抽出带旁路结构设计,可在负载不断电的状况下,通过旁路开关旁通电源,因此特殊情况下 ATSE处于检修状态时,负载供电的连续性不受影响。表3是TBBQ3-W/2W抽出带旁路型ATSE选型表。

额定电流

100~400

630~1600

2000~3200

4000

电寿命/

6000

6000

6000

6000

机械寿命/

10000

30000

30000

30000

使用类别

AC-33iA

AC-33iA

AC-33iA

AC-33iA

本体转换时间/ms

80

140

200

50

额定短时耐受电流Icw/kA

12.5

32

50

50


表3 TBBQ3-W/2W旁路型选型表


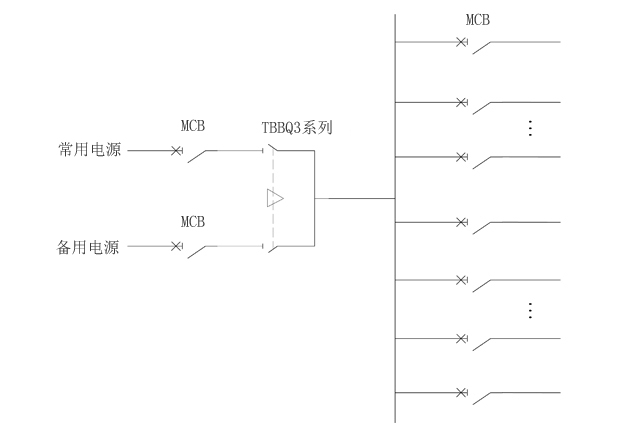
4、动力三箱配电系统

常见体育场馆普通动力三相配电系统见图4

 


图 4动力三箱配电系统一次简图

系统进线保护断路器推荐使用MB1或MB2系列微型断路器。
体育场馆普通动力三箱配电系统的双电源切换推荐使用TBBQ3系列双电源转开关。TBBQ3系列双电源转开关,专业PC级一体化设计;额定电流16A~5000A,国内范围最大;高标准分断能力,使用类别AC-33iA;励磁驱动,转换时间小;专用银合金触头,耐弧抗氧化;特设独立灭弧系统,灭弧迅速。TBBQ3系列双电源转开关选型见表4

额定电流

16~100

125~250

320~400

630~1600

2000~3200

4000~5000

电气寿命

6000

6000

6000

6000

6000

3000

机械寿命

10000

10000

10000

10000

10000

10000

使用类别

AC-33iA / AC-33B

AC-33iA

本体转换时间/ms

75

75

80

140

200

220

额定短时耐受电流Icw/kA

5

10

12.5

32

50

50

N极重叠转换型

-

-

-


表4 TBBQ3系列双电源转换开关选型


馈出支路配置,推荐使用MCB微型断路器,或MCB系列D形曲线的保护断路器

5.消防配电系统  

体育场馆消防负荷如:消防泵、排烟风机、加压送风机、消防控制室、消防电梯等,采用双电源供电并在末端自动切换,当消防设备(消防泵、喷淋泵、防排烟风机等)长期不用,一旦要使用的时候必定是消防应急,所以必须可靠供电。由于长期不用,消防设备存在结垢或者锈蚀而导致线路电流过载的隐患。为了减小此类故障产生,和保障负荷的连续可靠供电,线路的保护断路器过载不允许跳闸。消防配电系统原理图见图5

 

图5消防配电系统原理图


针对于消防负载的保护断路器,系统进线推荐使用MB60系列断路器。

系统馈线使用推荐MCCB塑壳断路器带CBI功能(过载报警不跳闸),当线路发生过载时,断路器不跳闸,直接从断路器上输出过载报警的无源干接点给到用,从而实现远方或者就地的声光报警。

过载报警不跳闸功能断路器应用的相关规范要求:

《民用建筑电气设计规范》(JGJ16-2008)第7.6.4规定:“......对于突然断电比过负荷造成的损失更大的线路,该线路的过负荷保护应作用于信号而不应切断电路。”

《低压配电设计规范》(GB50054-2011)第 6.3.6规定:“ 过负荷断电将引起严重后果的线路,其过负荷保护不应切断线路,可作用于信号。”

《通用用电设备配电设计规范》(GB50055-2011)第2.3.7.1规定“......断电比过载造成的损失更大时,应使过载保护动作于信号。”

6.站用交直流系统

变电站交直流系统又称站用电系统,是保证变电站安全可靠地输送电能的一个必不可少的环节。站用电主要为了变电站内的一、二次设备提供电源。站用交直流系统在变电站所失电的情况下,仍能保证控制信号、保护、自动装置等电源及事故处理工作。主要有交流屏、充电屏、馈线屏、电池屏4部分组成。系统主要有交流和直流系统两部分,对应方案见下图6。

 

图6站用交流系统

 

图7站用直流系统

推荐选用TBBQ3系列:为保证变电站所在失电情况下,变电站仍能进正常操作及检修运行。交流和直流电电源屏的电通常来自两段低压母线,通过双电源切换装置给系统供电。系统双电源切换装置推荐使用TBBQ3系列专用PC级产品。TBBQ3系列选型见表4


Copyright © 2019 辽宁博沣沅电气有限公司        网站建设:网势科技
网站首页 一键电话