安全:杜绝或避免人身的死亡或伤害事故的发生。
高效:确保设备在规定年限内正常、高效、有序运行。
环保:确保对沿线环境不产生不良影响,如噪音,有害气体、谐波、电磁干扰等。
降低成本:减少建设成本及运营成本。
可持续发展:延长系统整体使用年限,减少系统整体的维护资金。
电能质量:提高系统功率因数,治理谐波。
解决方案
1、全厂总变电站供电系统
图1 全厂总变电站供电系统图
10 kV保护断路器推荐使用户内高压真空断路器.过电压防护系统
电网聚优(抑制】过电压保护装置适用于发电、变电和用电企业的3~35kV电力系统,并可替代电压互感器柜、专用避雷器柜等
2、电力安全保障系统
(1)真空断路器真空度在线监测:真空断路器在运行过程中真空度会逐步下降,真空泄漏到一定程度,分合闸时开关柜会发生爆炸,严重者波及整个高压柜室连环烧毁。尽管国家执行了定期检修制度,但因现场对真空度无法检测,只能通过破坏性高压试验验证,由于国内真空泡技术水平的限制,两次检修期间发生真空泄露导致开关爆炸时有发生,给用户造成了惨重的损失。事实上,真空断路器复杂的密封结构也不允许用户进行常规手段进行检修。

3、中压配电系统
图2 中压单母线分段一次图
图3 中压转换开关方案一次图
进线保护电器置推荐使用TBBQ12中压转换开关。
|
本体型号 |
额定电流 |
额定电压 |
|
TBBQ12 |
630A |
12kV |
|
TBBQ12 |
100A |
12kV |
|
TBBQ12 |
1250A |
12kV |
|
控制器型号 |
供电电压范围 |
|
C800V |
AC110~220V |
|
C800V |
DC220V |
表2 TBBQ12中压转换开关选型表。
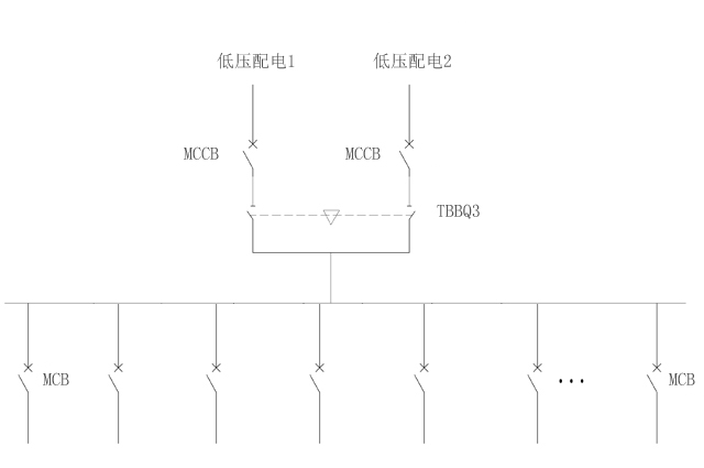
4、低压配电系统
图4 常用低压配电系统
进线及联络断路器配置,系统进线保护断路器推荐使用ACB框架断路器,区域联锁功能确保(三选二方案)完全选择性保护,对于钢铁企业供电可靠性要求高非常适合。ACB框架断路器与变压器选型配合见表3
|
变压器容量/KVA |
额定电流/A |
阻抗电压/U% |
短路电流/KA |
断路器 |
|
315 |
455 |
4 |
11.4 |
1600/630 |
|
400 |
577 |
4 |
14.4 |
1600/630 |
|
500 |
722 |
4 |
18.1 |
1600/800 |
|
630 |
909 |
4 |
22.7 |
1600/1000 |
|
800 |
1155 |
6 |
19.3 |
1600/1250 |
|
1000 |
1443 |
6 |
24.1 |
1600/1600 |
|
1250 |
1804 |
6 |
30.1 |
2500/2000 |
|
1600 |
2309 |
6 |
38.5 |
2500/2500 |
|
2000 |
2887 |
6 |
48.1 |
4000/2900 |
|
2500 |
3608 |
6 |
60.1 |
4000/4000 |
|
3150 |
4547 |
6 |
75.8 |
6300/5000 |
框架断路器与变压器选型配合表
上表计算依据:上级电网的短路功率设定为 500 MVA ;变压器为10 KV / 0.4 KV 。当短路电流的计算结果发生改变时,断路器要从65KA、85KA、100KA、120KA中选取适合的分断能力指标。5、低压SVG补偿系统
用电系统功率因数cosΦ<0.9,当电机开启时降至0.78左右(低于国家标准≥0.9的要求)。
供电系统采用集中治理方案,每台变压器下安装一台静止无功发生器,补偿精度高,不出现过补情况;带自恢复功自启动功能,自动补偿无功电流,提高系统的功率因数,使整个系统能够安全可靠地运行。
图5 SVG补偿系统简图
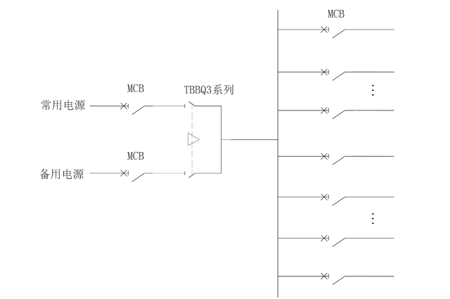
6、应急供电系统
图6 应急供电系统系统图
用于企业变电站专用电与发电机的应急电源转换的ATSE需选用“抽出带旁路型的三工位专业一体化PC级”,使用类别为AC-33iA。ATSE额定电流宜按照发电机额定电流的1.25倍选择,表4是TBBQ3-W/2W抽出带旁路型ATSE选型表。
|
额定电流 |
100~400 |
630~1600 |
2000~3200 |
4000 |
|
电寿命/次 |
6000 |
6000 |
6000 |
6000 |
|
机械寿命/次 |
10000 |
30000 |
30000 |
30000 |
|
使用类别 |
AC-33iA |
AC-33iA |
AC-33iA |
AC-33iA |
|
本体转换时间/ms |
80≤ |
140≤ |
200≤ |
50≤ |
|
额定短时耐受电流Icw/kA |
12.5 |
32 |
50 |
|
表4 TBBQ3-W/2W旁路型选型表
发电机以及变压器出口处断路器阻抗小,短路电流大,所以根据发电机容量和短路分断能力的不同要求,发电机出口断路器推荐选用MA60断路器(分断能力ICU=ICS=ICW),并配置H型智能控制器,可以实现四段保护、过频/欠频保护、过压/欠压保护和发电机并网运行时的逆功率保护。具体保护见表5
7、动力三箱配电系统
图7 厂房动力配电及办公楼照明配电系统一次简图
系统进线保护断路器推荐使用MCB微型断路器或 MCCB塑壳断路器。
|
额定电流 |
16~100 |
125~250 |
320~400 |
630~1600 |
2000~3200 |
4000~5000 |
|
电气寿命 |
6000 |
6000 |
6000 |
6000 |
6000 |
3000 |
|
机械寿命 |
10000 |
10000 |
10000 |
10000 |
10000 |
10000 |
|
使用类别 |
AC-33iA / AC-33B |
AC-33iA |
||||
|
本体转换时间/ms |
75 |
75 |
80 |
140 |
200 |
220 |
|
额定短时耐受电流Icw/kA |
5 |
10 |
12.5 |
32 |
50 |
50 |
|
N极重叠转换型 |
- |
- |
- |
● |
● |
● |
表6 TBBQ3系列双电源转换开关选型
8、消防配电系统
图8消防配电系统原理图
系统馈线使用推荐MCCB塑壳断路器带CBI功能(过载报警不跳闸),当线路发生过载时,断路器不跳闸,直接从断路器上输出过载报警的无源干接点给到用,从而实现远方或者就地的声光报警。
过载报警不跳闸功能断路器应用的相关规范要求:9、站用交直流系统
变电站交直流系统又称站用电系统,是保证变电站安全可靠地输送电能的一个必不可少的环节。站用电主要为了变电站内的一、二次设备提供电源。钢铁行业站用交直流系统在变电站所失电的情况下,仍能保证控制信号、保护、自动装置等电源及事故处理工作。地铁变电站站用交直流设备主要有交流屏、充电屏、馈线屏、电池屏4部分组成。系统主要有交流和直流系统两部分,对应方案见下图。
图9 站用交流系统简图

图10 站用直流系统简图
推荐选用TBBQ3系列: