石油化工由于其设备负荷的特殊性,生产的连续性,要求供电可靠不能间断,一般大中型石化工厂常采用多电源供电,必要时须设置保安电源。工厂供配电系统除满足基本负荷需要外,要考虑电力调度灵活和发展的可能性,以适应产品改变和工厂扩建的需要。供配电设计还要考虑设备及人身安全,工厂消耗电能很大,要注意节电。既要节省一次投资,也要减少运行费用,但不能影响供电安全和可靠性。
客户的需求
安全:杜绝或避免人身的死亡或伤害事故的发生。
高效:确保设备在规定年限内正常、高效、有序运行。
环保:确保对沿线环境不产生不良影响,如噪音,有害气体、谐波、电磁干扰等。
降低成本:减少建设成本及运营成本。
可持续发展:延长系统整体使用年限,减少系统整体的维护资金。
电能质量:提高系统功率因数,治理谐波。
解决方案
1、全厂总变电站供电系统
大型石化企业的用电负荷较大,通常总运行容量大于60MVA,供电电压为66 kV,110kV,220kV,并应由两个以上独立的电源供电,运行方式一般为双电源单母线运行或双电源双母线运行。大型石化企业一般设有一个总降压变电所作为主变电所,即总全厂总变电站。(受供电力公司制约,也有一些大型石化企业内具有数个主变电所。)
常规全厂总变电站,接线方式通常是单母线分段带联络开关,也有带旁路及双母线等。全厂总变电站一般位于企业的外侧,且靠近负荷中心,以便输入供电电源,因此必须采用电力电缆向生产装置变电所供电。企业内采用的供配电电压及供配电方式根据企业的负荷特点及地理位置等因素进行选择,通常为10kV。典型系统一次图见图1
图1 全厂总变电站供电系统图
10 kV保护断路器推荐使用户内高压真空断路器.
户内高压真空断路器,该产品主要用于发电厂、交流配电系统和变电站内的保护和控制,也可以作为电网设备、工矿企业动力设备的保护和控制单元。由于真空断路器的优越灭弧特性,使得该产品特别适合用在额定工作电流下的频繁操作或多次开断短路电流的场所。该产品的操动机构与断路器本体一体化设计,既可以作为固定安装单元,也可以配合专用的推进机构,组成手车单元使用。
过电压防护系统
电网聚优(抑制】过电压保护装置适用于发电、变电和用电企业的3~35kV电力系统,并可替代电压互感器柜、专用避雷器柜等。
2、电力安全保障系统
(1)真空断路器真空度在线监测:真空断路器在运行过程中真空度会逐步下降,真空泄漏到一定程度,分合闸时开关柜会发生爆炸,严重者波及整个高压柜室连环烧毁。尽管国家执行了定期检修制度,但因现场对真空度无法检测,只能通过破坏性高压试验验证,由于国内真空泡技术水平的限制,两次检修期间发生真空泄露导致开关爆炸时有发生,给用户造成了惨重的损失。事实上,真空断路器复杂的密封结构也不允许用户进行常规手段进行检修。
真空度在线监测已经成为一次设备运行、检修的重要组成部分。
(2)局部放电在线监测:电力设备绝缘体的绝缘强度和击穿场强都很高,当局部放电在很小的范围内发生时,该击穿过程会很快。
局部放电装置可以运用超高频传感器监测电气设备内部局放电流激发的电磁波信号对开关柜的局部放电情况进行评估。
超高频局放在线监测装置(IED)通过同轴电缆接收小于等于8路的超高频传感器 所采集的局部放电信号。并对该信号进行滤波、检波、脉冲提取、数字滤波、局放特征量计算等数字化处理,并完成局放可视化操作、局放判断、数据存储、数据上送等功能。
(3)温度在线监测系统:运行中的电气设备通常工作在高电压和大电流状态,设备中存在的某些缺陷会导致设备部件的异常温度升高。温度过高可能会引起燃烧、爆炸甚至设备损坏或质量事故。无线测温可以实时监测开关柜等电气设备的故障多发点,可以及时有效的控制电气事故的发生。
高压开关、母线接头、户外刀闸或变压器上。系统配备标准通讯接口,可联网运行。通过上位机软件,可记录高压设备实时运行温度的数据。为高压设备的维修提供累积数据,实现了高压设备热故障预知维修。
3、中压配电系统
中压配电系统一般为A、B两段母线供电,两段母线设联络开关,其一次图见图2。每段母线有1回路电源。电源和联络开关通常是用3选联络方案,切换装置一般采用传统中压开关组合方案,但这种方案存在无机械互锁、转换时间长约20分钟、多元器件集成导致故障源多等缺点,所以这里推荐中压转换开关方案,中压转换开关方案具体系统原理见图3
图2 中压单母线分段一次图
图3 中压转换开关方案一次图
进线保护电器置推荐使用TBBQ12中压转换开关。
TBBQ12中压转换开关具有机械/电气双重互锁,防止因误操作造成常用、备用电源同时合闸;永磁机构驱动,转换时间200ms以内,供电连续性高; 专用控制器可使ATSE在系统中的切换,防止二次短路事故发生。TBBQ12中压转换开关开断电流为20kA。表3为TBBQ12中压转换开关选型表。
|
本体型号 |
额定电流 |
额定电压 |
|
TBBQ12 |
630A |
12kV |
|
TBBQ12 |
100A |
12kV |
|
TBBQ12 |
1250A |
12kV |
|
控制器型号 |
供电电压范围 |
|
C800V |
AC110~220V |
|
C800V |
DC220V |
表2 TBBQ12中压转换开关选型表
4、低压配电系统
石化企业常用的低压配电系统,系统采用两进线一母联(单母线分断),此配电系统结构简单,用电可靠性高。
低压配电系统主要设备为配网低压柜,又叫开关屏或是低压配电屏,它将低压电路所需的开关设备、测量仪表、保护装置和辅助设备等,按照一定的接线方案安装在金属柜内构成的一种组合式电气设备,用以进行控制、保护、计量、分配和监视等等。配网低压柜通常由进线柜,出线柜,无功补偿柜,联络柜组成。图4为为常用的低压配电系统图
图4 常用低压配电系统
5、应急供电系统
石化行业是国民经济的支柱行业之一,其企业基本上是大型和特大型联合企业,是国家的重点企业。一个石化企业一般都有几套大型或特大型装置组成,各装置间为上、下游关系,不但连续性强,相互间影响形成一个生产链,停一次车恢复正常生产要一周~二周时间,即恢复生产时间长,由于装置规模大停产经济损失重大,石化企业的用电负荷绝大部分属一级负荷。
一级负荷中特别重要用电负荷,在石化企业中占比较大,且特别典型,通常有以下几种:
① 中断供电时,将发生爆炸及有毒物质泄漏的相关负荷:a 安全停车自动程序控制装置(仪表、继电器、程控器等)及其执行机构(某些进料阀、排料阀、排空阀等)以及配套的处理设施。b 设备内有不能排放的爆炸危险物料,若其会发生局部聚合大量放热反应时,为避免危险后果所需的搅拌设施和中止剂投放设施或冷却水专用供应设备。c爆炸危险物料使用的大型压缩机和安全轴封及正压系统等的电气设备。
② 中断供电时,现场处理事故、抢救及撤离人员所必需的事故照明、通信系统、火灾报警设备、消防系统的用电负荷等。
③ 艺控制的DCS、FCS电气微机保护,信息管理系统的用电负荷。
据《供配电系统设计规范》GB50052-2009标准对一级负荷中的特别重要负荷对供电的要求: 对特别重要用电负荷供电除了两个电源外(即一、二级用电负荷的电源),尚应增设应急电源,并严禁将其它负荷接入应急供电系统,以保证供电的可靠性和连续性。
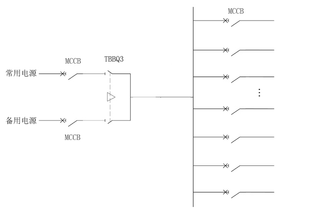
石化行业人应急电源通常采用大容量的备用发电机,具体原理图见图5
图5应急供电系统系统图
用于企业变电站专用电与发电机的应急电源转换的ATSE需选用“抽出带旁路型的三工位专业一体化PC级”,使用类别为AC-33iA。ATSE额定电流宜按照发电机额定电流的1.25倍选择,表4是TBBQ3-W/2W抽出带旁路型ATSE选型表。
|
额定电流 |
100~400 |
630~1600 |
2000~3200 |
4000 |
|
电寿命/次 |
6000 |
6000 |
6000 |
6000 |
|
机械寿命/次 |
10000 |
30000 |
30000 |
30000 |
|
使用类别 |
AC-33iA |
AC-33iA |
AC-33iA |
AC-33iA |
|
本体转换时间/ms |
80≤ |
140≤ |
200≤ |
50≤ |
|
额定短时耐受电流Icw/kA |
12.5 |
32 |
50 |
50 |
表4 TBBQ3-W/2W旁路型选型表
发电机以及变压器出口处断路器阻抗小,短路电流大,所以根据发电机容量和短路分断能力的不同要求,发电机出口断路器推荐选用塑壳断路器(分断能力ICU=ICS=ICW),并配置智能控制器,可以实现四段保护、过频/欠频保护、过压/欠压保护和发电机并网运行时的逆功率保护。
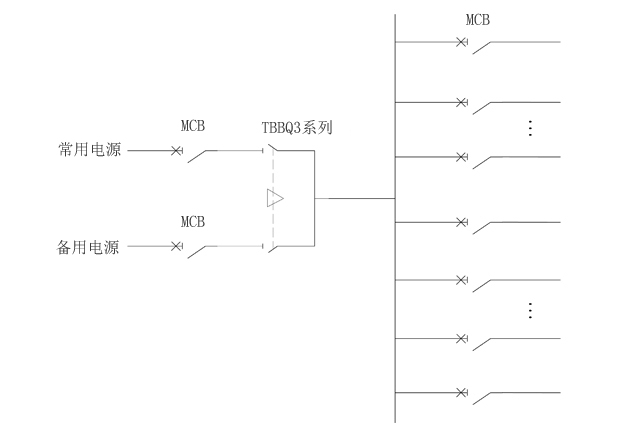
6、动力三箱配电系统
常见石化企业厂房办公楼照明配电系统见图6,常见石化企业厂房动力配电系统见图7
图6厂房办公楼照明配电系统一次简图

图7厂房动力配电系统一次简图
普通动力三箱配电系统的双电源切换推荐使用TBBQ3系列双电源转开关。TBBQ3系列双电源转开关,专业PC级一体化设计;额定电流16A~5000A,国内范围最大;高标准分断能力,使用类别AC-33iA;励磁驱动,转换时间小;专用银合金触头,耐弧抗氧化;特设独立灭弧系统,灭弧迅速。
7、站用交直流系统
变电站交直流系统又称站用电系统,是保证变电站安全可靠地输送电能的一个必不可少的环节。站用电主要为了变电站内的一、二次设备提供电源。石化行业站用交直流系统在变电站所失电的情况下,仍能保证控制信号、保护、自动装置等电源及事故处理工作。站用交直流设备主要有交流屏、充电屏、馈线屏、电池屏4部分组成。系统主要有交流和直流系统两部分,对应方案见下图。
图8 站用交流系统简
图9 站用直流系统简图
为保证变电站所在失电情况下,变电站仍能进正常操作及检修运行。交流和直流电电源屏的电通常来自两段低压母线,通过双电源切换装置给系统供电。系统双电源切换装置推荐使用TBBQ3系列专用PC级产品。户内