Solution

解决方案

数据通信

您当前位置:首页 > 解决方案 > 数据通信

电力建设 市政建设 医疗卫生 交通运输 石油化工 钢铁矿山 工业制造 数据通信


数据中心是一个聚集了大量服务器、存储设备、网络设备及配套UPS、精密空调等设备的IT设备场所,是实现数据信息的集中处理、存储、传输、交换和集中管理等业务的服务平台。从物理层次看,数据中心主要由IT设备、配电系统和空调系统三部分组成。IT设备用于数据处理(服务器)、数据存储(存储设备)以及通讯(网络设备),是实现数据中心功能的核心部分;配电系统和空调系统是实现IT设备系统的正常运行的保障。配电系统用于提供稳定的供电电源,实现直流一交流转换,并确保为IT设备提供可靠、高质量的电源;空调系统确保IT设备在正常的温度和湿度下工作。
客户需求
安全:杜绝或避免人身的死亡或伤害事故的发生。
高效:确保设备在规定年限内正常、高效、有序运行。
环保:确保对沿线环境不产生不良影响,如噪音,有害气体、谐波、电磁干扰等。
降低成本:减少建设成本及运营成本。
可持续发展:延长系统整体使用年限,减少系统整体的维护资金。
电能质量:无功功率功率补偿,动态补偿谐波。
解决方案

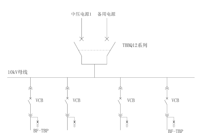
1、中压配电系统

中压双电源切换推荐TBBQ12系列中高压双电源自动转换开关

TBBQ12系列中高压双电源自动转换开关?主要应于工业,电厂,钢铁,医院,军用场所,机场,通讯设施,计算机中心等额定工作电压6~12kV的供电系统中,满足中压双电源二选一的转换要求,实现大范围负荷保护;适用范围广,满足客户多场景需求;高可靠性,保障客户可靠用电,适用于连续供电性要求高的行业,尤其适合于大部分负荷都是一级负荷的数据机房行业。

一级负荷连续供电的相关规范要求如下:

GB50052-2009《供配电系统设计规范》第3.0.2条,一级负荷的供电电源应符合下列规定:一级负荷应由双重电源供电,当一电源发生故障时,另一电源不应同时受到损坏。

 


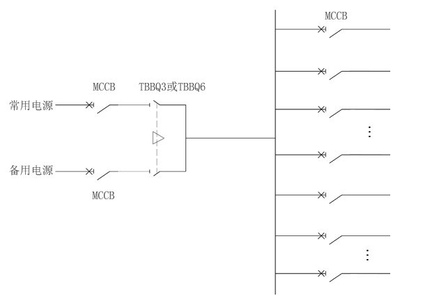
图1 中压双电源二选一配电方案


2、电力安全保障系统
(1)真空断路器真空度在线监测:真空断路器在运行过程中真空度会逐步下降,真空泄漏到一定程度,分合闸时开关柜会发生爆炸,严重者波及整个高压柜室连环烧毁。尽管国家执行了定期检修制度,但因现场对真空度无法检测,只能通过破坏性高压试验验证,由于国内真空泡技术水平的限制,两次检修期间发生真空泄露导致开关爆炸时有发生,给用户造成了惨重的损失。事实上,真空断路器复杂的密封结构也不允许用户进行常规手段进行检修。
真空度在线监测已经成为一次设备运行、检修的重要组成部分。

 

(2)局部放电在线监测:电力设备绝缘体的绝缘强度和击穿场强都很高,当局部放电在很小的范围内发生时,该击穿过程会很快。
局部放电装置可以运用超高频传感器监测电气设备内部局放电流激发的电磁波信号对开关柜的局部放电情况进行评估。

 

超高频局放在线监测装置(IED)通过同轴电缆接收小于等于8路的超高频传感器 所采集的局部放电信号。并对该信号进行滤波、检波、脉冲提取、数字滤波、局放特征量计算等数字化处理,并完成局放可视化操作、局放判断、数据存储、数据上送等功能。
(3)无线测温系统:运行中的电气设备通常工作在高电压和大电流状态,设备中存在的某些缺陷会导致设备部件的异常温度升高。温度过高可能会引起燃烧、爆炸甚至设备损坏或质量事故。无线测温可以实时监测开关柜等电气设备的故障多发点,可以及时有效的控制电气事故的发生。
高压开关、母线接头、户外刀闸或变压器上。系统配备标准通讯接口,可联网运行。通过上位机软件,可记录高压设备实时运行温度的数据。为高压设备的维修提供累积数据,实现了高压设备热故障预知维修。


 

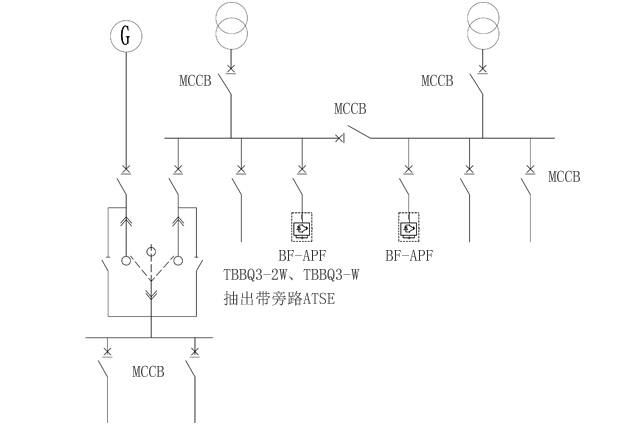
3、低压配电及有源滤波系统

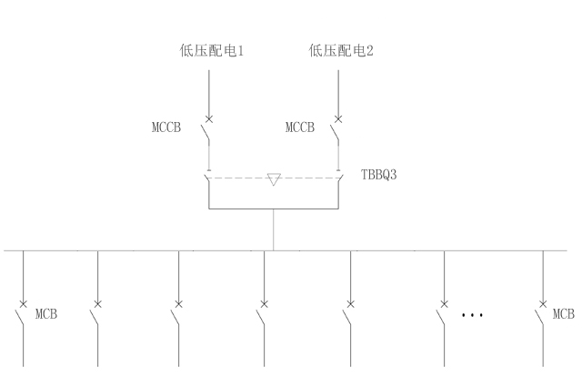
进线及母联断路器配置,系统进线保护断路器推荐使用MCCB框架断路器,同时配置控制器,能够确保母联三选二方案及完全选择性保护。

市电和油机双电源切换设备推荐使用TBBQ3-W或TBBQ3-2W系列双电源转换开关。TBBQ3-W或TBBQ3-2W系列双电源转换开关为抽出带旁路结构,该产品的抽出带旁路设计,能够实现不停电状态下检修设备;产品内置机械联锁,避免常用电源主回路和备用电源旁路同时闭合,有效保障检修时的安全性。

数据机房关于避免自动转换开关发生故障或进行维修时中断电源的规范要求如下:

根据GB50174-2008《电子信息系统机房设计规范》和09DX009国家标准设计图集《电子信息系统机房工程设计与安装》等相关规定要求,对供电系统可靠性、连续性有很高要求的特别重要场所,为防止自动转换开关出现故障、损坏或自动转换开关处于检修时,影响供电系统的连续性,应设置旁路隔离抽出型自动转换开关,TBBQ3-W即为此类开关。

低压APF有源滤波系统

在数据机房配置适当功率的有源滤波器就地消除谐波,电流畸变率从19.8%降到了2.4%,功率因数从0.85升到0.93,改善了数据机房的现场用电质量。

图2为配电系统中最为常用的低压配电系统.系统方案采用两进线一母联(单母线分断),此配电系统结构简单,用电可靠性高。


 


图2  低压配电系统


 4、UPS输入柜配电系统

数据机房的UPS输入柜,为控制UPS的市电输入部分的配电单元,在机房里起到安全,规范,方便管理UPS的电能输入。

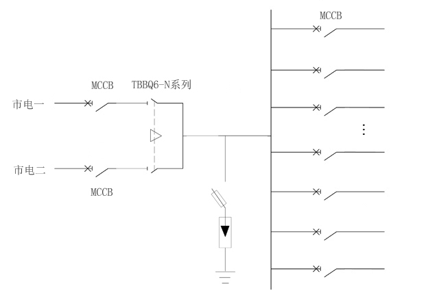
系统双路市电的切换推荐使用TBBQ3-N或TBBQ6-N系列带中性线重叠功能的双电源自动转换开关。

TBBQ3-N、TBBQ6-N系列双电源自动转换开关是专为数据机房控制“零地电压”而研发的产品,该产品具有N线“先合后断”的重叠转换功能,能够有效避免因电源切换造成的三相不平衡问题;在切换过程中保证N极不会出现腾空现象,有效抑制中性线电位漂移,防止“零地电压”瞬变对设备造成危害。“零地电压”过高会造成IT设备的故障或损害。根据《电子信息系统机房设计规范》GB50174-2008要求,数据机房的“零地电压”要控制在2V之内。

控制“零地电压”的相关规范要求如下:

《电子信息系统机房设计规范》GB50174-2008第8.1.9条规定: “电子信息设备的配电应采用专用配电箱(柜),专用配电箱(柜)应靠近用电设备安装。”

《电子信息系统机房设计规范》GB50174-2008第8.1.10条规定:“……当输出端中性线与PE线之间的电位差不能满足设备使用要求时,宜配备隔离变压器。”


 

图3 UPS输入柜系统一次图


 5、精密配电柜配电系统 

精密配电柜,又叫列头柜,作用是接收UPS输出电,利用支路为机房IT负载设备分配供电。精密配电柜作为最接近IT设备的供电装置,对应元器件的安全性、可靠性、管理灵活性有非常高的要求。精密配电柜系统当前主流配置为单面双路安装和双路STS切换方案,系统一次简图见图4。
进线保护断路器保护灵敏性要求。320A以上推荐选用MCCB电子式断路器,二段保护;过载、瞬时短路、过载整定电流等于额定电流In, 瞬时整定电流10In。
250A及以下推荐选用MCCB热磁式断路器,过载整定电流等于额定电流In。
双路STS方案双电源切换推荐选用TBS系列静态转换开关。TBS系列产品电流范围32-400A,切换时间≤5ms,具有完备的保护功能,智能报警,友好人机交互界面及极强电力适应能力,适用于数据机房中对电源中断敏感的单电源IT设备。

 

图4 精密配电柜一次简图


 6、动力配电系统

动力配电系统,是机房为专用空调供电的系统。动力配电的负荷属动力性质,对保护电器的防冲击性能要求比较高。
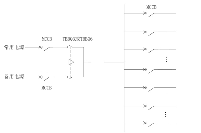
系统的双电源切换推荐使用TBBQ3或TBBQ6系列双电源自动转换开关。
进线保护断路器推荐使用MCCB塑壳断路器。
馈出支路配置,推荐使用MCCB系列带剩余电流保护的塑壳断路器,或MCB系列D形曲线的剩余电流保护微型断路器。

 


图5 动力柜配电柜一次简图


 7、机房照明配电系统

机房照明系统分为普通照明和应急照明(即为检修照明)两大类,配电系统通常采用放射式系统。
数据机房的普通照明设备为照明箱,进线保护装置推荐使用MB1或MB2 微型断路器。
双电源切换装置推荐采用TBBQ3系列双电源自动转换开关,专业PC级,一体化设计;额定电流16A~5000A,国内同类型产品电流范围最广;使用类别为AC-33iA;励磁驱动,转换时间小;专用银合金触头,耐弧抗氧化;特设独立灭弧系统,灭弧迅速。
支路负载保护断路器推荐采用分断能力6KA的MCB微型断路器。

 


图 6普通照明系统

 

图7 应急照明系统

8、站用交直流系统

变电站交直流系统又称站用电系统,是保证变电站安全可靠地输送电能的一个必不可少的环节。站用电主要为了变电站内的一、二次设备提供电源。钢铁行业站用交直流系统在变电站所失电的情况下,仍能保证控制信号、保护、自动装置等电源及事故处理工作。地铁变电站站用交直流设备主要有交流屏、充电屏、馈线屏、电池屏4部分组成。系统主要有交流和直流系统两部分,对应方案见下图。

图8 站用交流系统简图



图9 站用直流系统简图

为保证变电站所在失电情况下,变电站仍能进正常操作及检修运行。交流和直流电电源屏的电通常来自两段低压母线,通过双电源切换装置给系统供电。系统双电源切换装置推荐使用TBBQ3系列专用PC级产品。TBBQ3系列选型见表6。


Copyright © 2019 辽宁博沣沅电气有限公司        网站建设:网势科技
网站首页 一键电话