Solution

解决方案

交通运输

您当前位置:首页 > 解决方案 > 交通运输

电力建设 市政建设 医疗卫生 交通运输 石油化工 钢铁矿山 工业制造 数据通信


轨道交通地铁低压配电系统为除牵引负荷外的所有运营所需的机电设备提供低压电源。低压配电系统按功能一般分为降压变电所低压部分和环控电控部分。降压变电所低压部分主要是为车站内信号、综合监控、自动售检票、电扶梯等供电。环控电控低压部分主要是为通风空调设备(包括各类风机、风阀、冷却塔、冷水机组等)供电。在轨道交通行业,供电的可靠性尤其突出。一旦停电,设备无法安全运行,将导致城市交通的瘫痪。因此。轨道交通应高度重视低压配电系统供电的可靠性、控制的有效性、运营维护的便利性。
客户的需求
安全:杜绝或避免人身的死亡或伤害事故的发生。
高效:确保设备在规定年限内正常、高效、有序运行。
环保:确保对沿线环境不产生不良影响,如噪音,有害气体、谐波、电磁干扰等。
降低成本:减少建设成本及运营成本。
可持续发展:延长系统整体使用年限,减少系统整体的维护资金。
电能质量:无功功率补偿,动态补偿滤波。
解决方案

1、环控柜配电系统

 

图1 环控系统一次接线图

轨道交通行业的环控柜配电系统,其功能是向地铁车站内环空系统用电设备供电,保证环空系统各种用电设备安全、连续正常受电运行,常见的环控柜配电设备属低压开关柜,为封闭式户内成套设备,通常由进线柜、馈线柜、点击控制柜、软起动柜、变频柜、智能控制柜组成。(系统接线图见以上图)
双电源切换装置推荐选用TBBQ3-W抽出带旁路型系列

根据《地铁设计规范》GB50157-2013,环控柜负载中的防排烟风机及各类防火排烟阀、主排水泵、雨水泵等大部分符合为以及符合,对可靠安全连续供电要求较高。TBBQ3-W系列专用PC级抽出带旁路双电源转换开关,具有抽出式旁路结构,确保检修维护不断电,适用于环控柜等对连续供电要求较高的场合。

轨道交通行业相关以及符合连续供电的规范要求如下:
《供电系统设计规范》GB50052-2009第3.0.2条:“一级符合的供电电源应符合下列规定:一级负荷应由双重电源供电,当一电源发生故障时,另一电源不应同时受到损坏。”
《地铁设计规范》GB50157-2013第3.0.2条:“一级负荷必须采用双电源双回线路供电。”
系统进线保护断路器及馈出支路保护断路器配置,推荐使用ACB框架断路器,或MCCB塑壳断路器作为保护电器。

额定电流

100~400

630~1600

4000

4000

电寿命/

6000

2500

3000

2000

机械寿命/

10000

10000

30000

10000

使用类别

AC-33iA

AC-33iA

AC-33iA

AC-33iA

本体转换时间/ms

80

140

220

220

额定短时耐受电流Icw/KA

12.5

32

50



表1 TBBQ3-W抽出带旁路双电源转换开关选型

2. 低压配电系统

低压配电系统主要设备为配网低压柜,又叫开关屏或是低压配电屏,它将低压电路所需的开关设备、测量仪表、保护装置和辅助设备等,按照一定的接线方案安装在金属柜内构成的一种组合式电气设备,用以进行控制、保护、计量、分配和监视等等.配网低压柜通常由进线柜、出线柜、无功补偿柜、联络柜组成。图1为配电系统中最常见的低压配电系统。系统方案采用两进线一母线(单母线分断),此配电系统结构简单,用电可靠性高。


图2 低压配电系统图

3、低压有源滤波系统

轨道交通行业的主要负载为变频电机、整流设备、焊接设备等负载为主,主要是两相、三相负荷,该类负载的功率因数一般要求较高,负载变化快,谐波较大,电能质量要求较高;

APF投入后,达到线性补偿的效果,滤除2-50次谐波快速的线性补偿无功功率,降低谐波干扰,抑制系统中的谐波放大,改善电网的波形,保证电流谐波与电压谐波都能得到有效滤除,使电网电能质量得到极大的提高,为用户用电环境提供安全保障

 

图3 有源滤波系统图

4.EPS应急系统


 

图4 EPS应急系统简图

应急电源在广义供配电系统上是指正常供电电源中断时,可以向用户的重要负载进行短时供电的独立应急电源装置。目前国内地铁的EPS主要用于逃生照明,消防应急。
断路器推荐选用MCB微型断路器系列,双电源转换开关推荐选用TBBQ3系列:
应急照明系统进线保护装置、支路负载保护断路器推荐采用分断能力6KA的MCB微型断路器,产品性价比高。
双电源切换装置推荐采用TBBQ3系列产品,当ATS的控制系统检测到一路电源故障后,会自动地立即切换到另一路输入供电,提供了输入电源的冗余,增加了供电系统的可靠性。
地铁行业消防应急照明系统切换相关规范:
《消防应急照明和疏散指示系统》GB17945-2010第6.3.1.1条:“……高危险区域使用的应急转换时间不应大于0.25S”。


额定电流

16~100

125~250

320~400

630~1600

2000~3200

4000~5000

电气寿命

6000

机械寿命

10000

使用类别

AC-33iA / AC-33B

AC-33iA

本体转换时间/ms

75

75

80

140

200

220

额定短时耐受电流Icw /kA

5

10

12.5

32

50

50

N极重叠转换型

-

-

-

表2 TBBQ3双电源转换开关选型

5.动力三箱系统

 

图5 动力箱系统图

双电源转换开关推荐选用TBBQ6系列、断路器推荐选用MCCB塑壳断路器或MCB微型断路器:
地铁三箱包含双电源箱、动力配电箱(含防暴配电箱等)、照明配电箱(含只能照明配电箱、一般照明配电箱、安全照明配电箱、防暴照明配电箱)、检修插座箱、控制箱等,因含有风机等负载设备,对双电源开关的性能参数要求较高,推荐选用TBBQ6系列产品,使用类别可达AC-33A,塑壳断路器推荐选用MCCB热磁脱扣断路器,产品性价比高。三箱内低功率负载保护断路器推荐采用分断能力10kA的MCB微型断路器。

额定电流

16~80

100~160

200~300

320~630

电气寿命

6000

机械寿命

10000

使用类别

AC-33A

本体转换时间/ms

75

75

80

100

额定短时耐受电流Icw/kA

5

10

12.5

32

表3 TBBQ6双电源转换开关选型

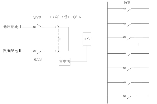
6.UPS电源系统
 

 

图6 地铁站集中式UPS电源系统简图

地铁UPS电源系统主要用于轨道交通的通信机房系统,信号系统,综合监控系统,办公系统,售票系统等。考虑通信设备对电源质量高要求性,系统双路市电的切换推荐使用TBBQ6-N系列双电源转换开关。
推荐选用TBBQ6-N或TBBQ3-N中性线重叠转换系列
TBBQ6-N系列双电源转换开关专为数据机房控制“零地电压”而研发的双电源转换开关,该产品具有N线“先合后断”的重叠转换功能,能够有效避免因电源切换造成的三相不平衡问题;在切换过程中保证N极不会出现腾空现象,有效抑制中性线电位漂移,防止“零地电压”瞬变对设备造成危害。“零地电压”过高会造成IT设备的故障或损害。根据《电子信息系统机房设计规范》GB50174-2008要求,数据机房的“零地电压”要控制在2V之内。
相关控制“零地电压”的规范要求如下:
《电子信息系统机房设计规范》GB50174-2008第8.1.9条规定:“电子信息设备的配电应采用专用配电箱(柜),专用配电箱(柜)应靠近用电设备安装。”
《电子信息系统机房设计规范》GB50174-2008第8.1.10条规定:“……当输出端中性线与PE线之间的电位差不能满足设备使用要求时,宜配备隔离变压器。”
UPS电源系统,进线保护装置推荐使用MCCB塑壳断路器,或MCB微型断路器。
支路负载保护断路器推荐采用分断能力6KA的MCB微型断路器。

额定电流

16~80

100~160

200~300

320~630

电气寿命

6000

机械寿命

10000

使用类别

AC-33A

本体转换时间/ms

75

75

80

100

额定短时耐受电流Icw/kA

5

10

12.5

32

N极重叠转换型

表4 TBBQ6-N双电源转换开关选型表

7.站用交直流系统

变电站交直流系统又称站用电系统,是保证变电站安全可靠地输送电能的一个必不可少的环节。站用电主要为了变电站内的一、二次设备提供电源。站用交直流系统在变电站所失电的情况下,仍能保证控制信号、保护、自动装置等电源及事故处理工作。主要有交流屏、充电屏、馈线屏、电池屏4部分组成。系统主要有交流和直流系统两部分,对应方案见下图 。


图7 站用交流系统


图8 站用直流系统

推荐选用TBBQ3系列:为保证变电站所在失电情况下,变电站仍能进正常操作及检修运行。交流和直流电电源屏的电通常来自两段低压母线,通过双电源切换装置给系统供电。系统双电源切换装置推荐使用TBBQ3系列专用PC级产品。TBBQ3系列选型见表4



Copyright © 2019 辽宁博沣沅电气有限公司        网站建设:网势科技
网站首页 一键电话